欢迎光临艾托克控制设备南京有限公司网站!
联系电话:18114458894
联系我们

南京办事处
地址:江苏省南京市江宁区禄口镇领鑫市场5区12栋109-112

电话:025-85341345  18114458894  

传真:025-85336533
QQ:3463005936
微信二维码如下:


西北办事处
地址:兰州市榆中县和平镇毅德城A2区上首层9幢28号
电话:13605198785   15335181681
QQ:3463005936
微信二维码如下:

详细信息

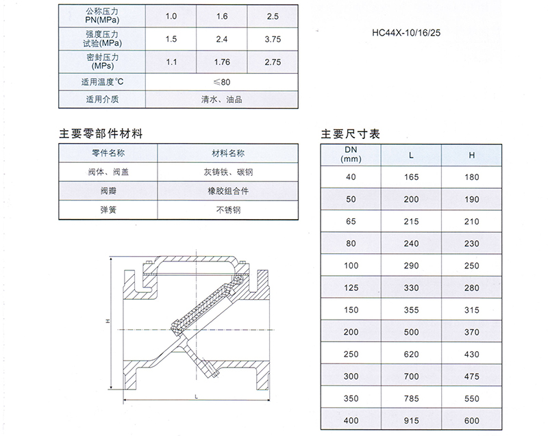
HH44X型微阻缓闭消声止回阀

发表时间:2019-04-17 09:43:36   阅读次数:840